All Case Studies
Embedded Systems & IoT

Low-Powered Lidar With Cellular Backhaul

A solar and battery-powered remote sensing platform built around an STM32F7 MCU, designed for multi-year unattended operation with 3G cellular uplink.

Domain
Remote Sensing & IoT
Duration
16 weeks
Key Result
3-Year Battery Life
Assembled remote sensing platform with solar panel and cellular antenna

The Challenge

A client needed a remote sensing platform that could operate unattended in off-grid environments for years at a time. The system had to capture LIDAR range data and camera imagery, then backhaul the data over a cellular link — all while running on a small primary-cell battery supplemented by a solar panel. Every microwatt mattered.

Commercial off-the-shelf solutions either consumed too much power for multi-year operation or lacked the sensor flexibility the application demanded. A custom hardware and firmware platform was the only path forward.

Our Approach

System Architecture

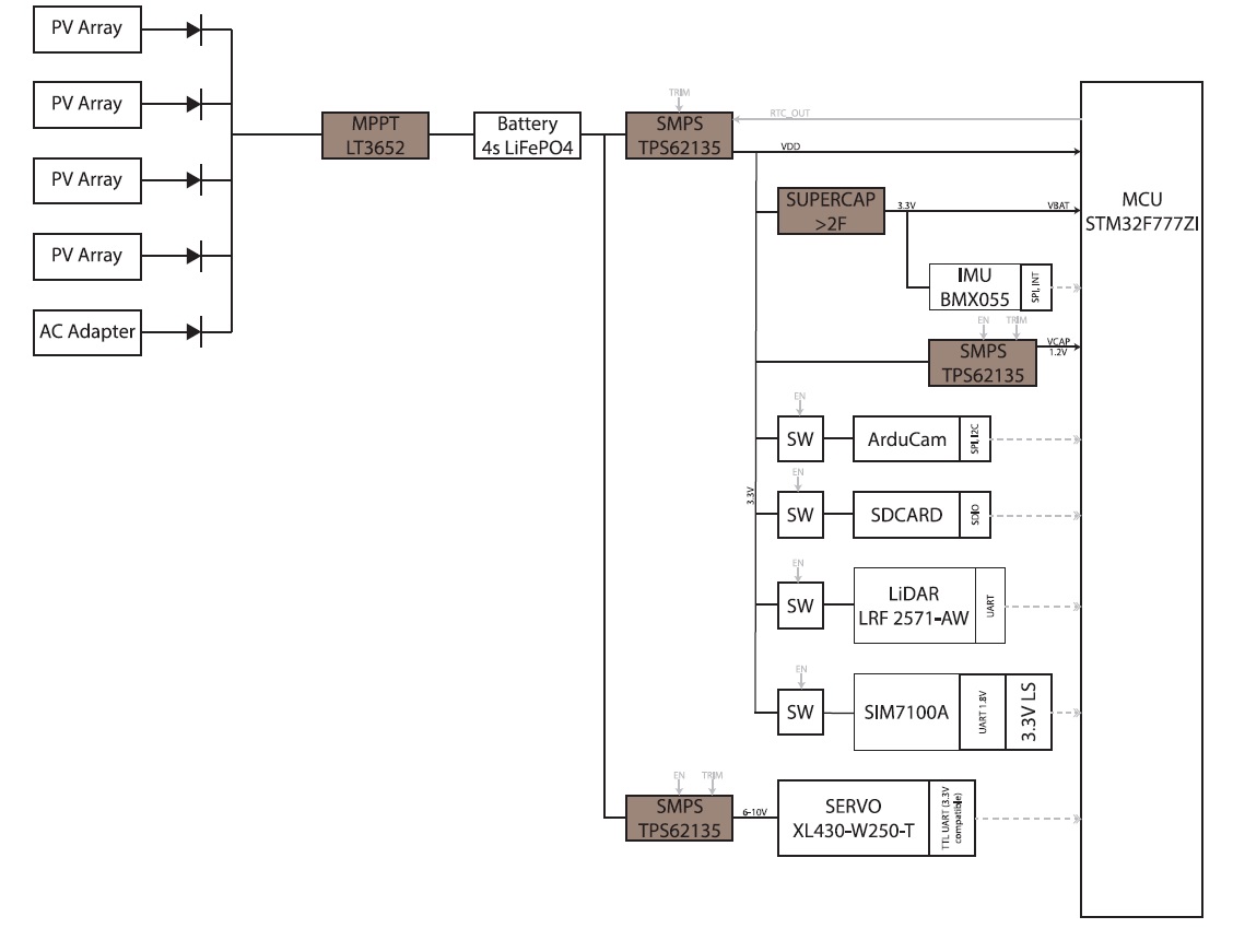
We designed a two-board system — a main board and a camera/sensor board — connected via FPC cables. The main board carries the STM32F7 microcontroller, a SIM7100A 3G cellular modem, SD card storage, a peak-power solar tracker, supercapacitor-backed sleep circuitry, and interfaces for pan/tilt servos and a LIDAR module. The camera board hosts an ArduCam module for low-frame-rate image capture.

System block diagram showing MCU, modem, sensors, and power architecture

Ultra-Low-Power Design

The power budget was the single hardest constraint. At 24 captures per day on a 100 W·hr primary cell, the system needed to last three years — meaning average power draw had to stay well below 4 mW.

To achieve this, all switching regulators can be fully shut down between capture events. A supercapacitor keeps only the MCU's RTC and an onboard IMU alive during deep sleep, enabling both timed wake-up and motion-interrupt wake-up. The modem — by far the largest power consumer — boots only a few times per day; photos are cached to the SD card in the meantime to minimize cellular on-time.

Main PCB front side showing STM32F7, modem, and power management circuitry

Hardware Design

Both boards were designed from schematic through layout in-house. The main board integrates a complex power tree — solar input with MPPT, battery charging, supercap management, and multiple switchable rails — alongside high-speed digital interfaces for the modem and SD card. The camera board keeps the optical path short and isolated from digital noise.

Camera board PCB layout

Firmware

Firmware was developed in C/C++ on the STM32 HAL. The architecture is event-driven: the MCU wakes on an RTC alarm or IMU interrupt, powers up the necessary peripherals, captures and stores data, and optionally initiates a modem session to upload cached payloads. Each wake cycle is profiled to stay within a strict energy envelope.

Results

  • 3+ year projected battery life on a single 100 W·hr primary cell at 24 captures per day, validated by bench power profiling
  • Sub-second wake-to-capture latency, ensuring the system doesn't miss transient events triggered by the IMU
  • Reliable 3G backhaul via the SIM7100A modem with automatic retry and SD-card spooling for coverage gaps
  • Modular sensor interface supporting LIDAR, ArduCam, and pan/tilt servos over a single FPC interconnect

Technical Highlights

  • Peak-power solar tracker extends effective battery life significantly in deployments with even partial sun exposure
  • Supercapacitor-backed sleep domain eliminates regulator quiescent draw, dropping sleep-mode consumption to the low-microamp range
  • SD card caching decouples capture rate from modem uplink schedule, allowing burst uploads that amortize the modem's high boot-up energy cost
  • The design is open-source, including schematics, PCB layout, and proof-of-concept firmware

Client Impact

The platform gave the client a flexible, field-proven foundation for remote environmental monitoring. Because the hardware and firmware are open-source, their internal engineering team can extend sensor support and tune the power profile for new deployment scenarios without vendor lock-in.

Need a Custom Remote Sensing Platform?

We design ultra-low-power embedded systems that operate unattended for years.

Start a Conversation